中国汽车工程师之家--聚集了汽车行业80%专业人士 

论坛口号:知无不言,言无不尽!QQ:542334618 

本站手机访问:直接在浏览器中输入本站域名即可 

  • 3787查看
  • 6回复

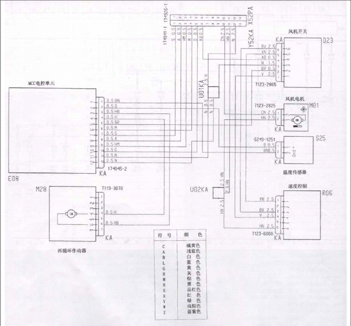
中华轿车空调系统电路图

[复制链接]

  • TA的每日心情
    开心
    18-6-2015 07:30
  • 签到天数: 1 天

    [LV.1]初来乍到

    发表于 31-12-2006 20:37:31 | 显示全部楼层 |阅读模式

    汽车零部件采购、销售通信录       填写你的培训需求,我们帮你找      招募汽车专业培训老师


    中华轿车空调系统电路图
    无标题.GIF
    

    该用户从未签到

    发表于 25-12-2007 14:17:24 | 显示全部楼层
    想看看啊 啊啊
    

    该用户从未签到

    发表于 25-12-2007 14:19:28 | 显示全部楼层
    怎么那么慢呢
    

    该用户从未签到

    发表于 31-3-2008 18:21:51 | 显示全部楼层
    顶顶。。。。。。。。
    

    该用户从未签到

    发表于 8-4-2008 21:30:29 | 显示全部楼层
    中华轿车空调系统电路图
    本文来自: 中国汽车工程师之家( http://www.cartech8.com ) 详细出处:http://www.cartech8.com/thread-364598-1-1.html
    

    该用户从未签到

    发表于 9-4-2008 18:17:21 | 显示全部楼层
    我就是想要看一下
    

    该用户从未签到

    发表于 12-4-2008 22:29:04 | 显示全部楼层

    看不到啊

    看不到啊

    快速发帖

    您需要登录后才可以回帖 登录 | 注册

    本版积分规则

    QQ|手机版|小黑屋|Archiver|汽车工程师之家 ( 渝ICP备18012993号-1 )

    GMT+8, 12-12-2025 05:10 , Processed in 0.585361 second(s), 42 queries .

    Powered by Discuz! X3.5

    © 2001-2013 Comsenz Inc.