中国汽车工程师之家--聚集了汽车行业80%专业人士 

论坛口号:知无不言,言无不尽!QQ:542334618 

本站手机访问:直接在浏览器中输入本站域名即可 

  • 1418查看
  • 1回复

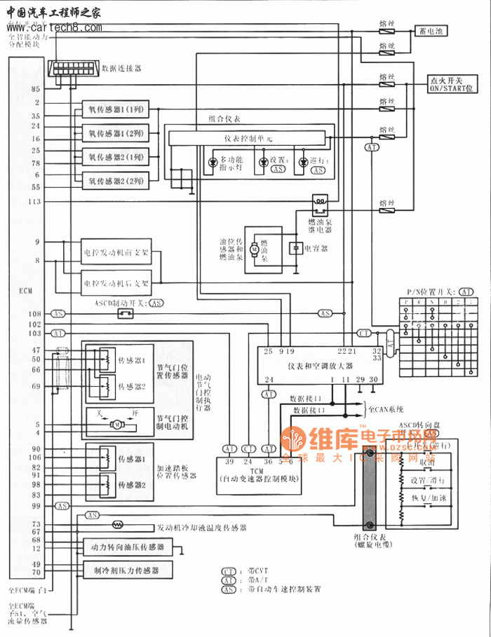
东风日产天赖VQ型轿车发动机控制电路图

[复制链接]


该用户从未签到

发表于 3-10-2008 21:32:58 | 显示全部楼层 |阅读模式

汽车零部件采购、销售通信录       填写你的培训需求,我们帮你找      招募汽车专业培训老师


2008328155839215.gif

2008328155840888.gif


该用户从未签到

发表于 4-10-2008 15:56:31 | 显示全部楼层
嗯,看不懂啊~~

快速发帖

您需要登录后才可以回帖 登录 | 注册

本版积分规则

QQ|手机版|小黑屋|Archiver|汽车工程师之家 ( 渝ICP备18012993号-1 )

GMT+8, 26-3-2026 12:00 , Processed in 0.330478 second(s), 37 queries .

Powered by Discuz! X3.5

© 2001-2013 Comsenz Inc.