中国汽车工程师之家--聚集了汽车行业80%专业人士 

论坛口号:知无不言,言无不尽!QQ:542334618 

本站手机访问:直接在浏览器中输入本站域名即可 

  • 9569查看
  • 11回复

[讨论] 汽车电路图分析

  [复制链接]


该用户从未签到

发表于 29-10-2008 19:30:30 | 显示全部楼层 |阅读模式

汽车零部件采购、销售通信录       填写你的培训需求,我们帮你找      招募汽车专业培训老师


汽车电路图分析(申精)
汽车电路图的表达方法有线路图、原理图、线束图。

    1.线路图
    这种图电器部件的外形和安装位置都与实际情况相同,很方便查线,但读图不方便,只适用汽车电器部件少、线路连接简单的传统汽车(如东风EQ1090等)


   
    2.线束图
    这种图很简单地找到有关电器部件与线束的连接点,但不方便查线和分析、排除故障



    3.原理图
    用简明的图形符号按电路原理将每个别电器与电子控制系统合理连接,再将每个系统按一定顺序排列(系统包括:电源系统、启动系统、点火系统、照明系统、仪表系统、电子控制系统等)
    对于一汽车维修资料,不仅仅提供了汽车电路图,同时提供该电路图要用到的相关资料如:图形符号含意、插接器位置、接地点位置、结束标记含意、导线颜色含意等,这些资料是为读懂汽车电路图



    二、常用的图形符号
    下列图形符号只是常用例子,符号很形象地反映了该元件的结构及工作原理,在学习符号时,不用硬性记忆,只须通过理解其含意就行。(以下列举一部分。






    三、导线颜色代号
    从汽车的配线特点,我们知道汽车导线有很多颜色,为了便于表示常用字母代号,如:WH-----白色  R------红色    WH/R----白/红(白为主色红为辅色的双色线),各种类电路图颜色代号大至相近,各图略有区别

    汽车常用电线颜色缩略语


[ 本帖最后由 wutung 于 2007-09-01 03:36 编辑 ]

人生就像一场牌局 不是要抓一手好牌 而是要打好一手烂牌。四.电路图阅读
    电路图的阅读首先是读懂电路中每个符号的含意,然后针对某个系统进行分析。

    基本要领
    1.认真读几遍图注
    图注说明了该汽车所有电气设备的名称及其数码代号,通过读图注可以初步了解该汽车都装配了哪些电气设备。然后通过电气设备的数码代号在电路图中找出该电气设备,在进一步找出相互连线、控制关系。
    2.牢记电气图形符号
    汽车电路图是利用电气图形符号来表示其构成和工作原理的。因此,必须牢记电路图形符号的含义,才能看懂电路原理图。
    3.熟记电路标记符号
    为了便于绘制和识读汽车电器电路图,有些电器装置或其接线柱等上面都赋予不同的标志代号。
    4.牢记汽车电路特点
    ⑴ 单线制     ⑵ 负极搭铁     ⑶ 用电设备并联
    5.牢记回路原则
    任何一个完整的电路都是由电源、熔断器、开关、控制装置、用电设备、导线等组成。电流流向必须从电源正极出发,经过熔断器、开关、控制装置、导线等到达用电设备,再经过导线(或搭铁)回到电源负极,才能构成回路。因此电路读图时,有三种思路:

    思路一:沿着电路电流的流向,由电源正极出发,顺藤摸瓜查到用电设备,开关、控制装置等,回到电源负极。
    思路二:逆着电路电流的方向,由电源负极(搭铁)开始,经过用电设备、开关、控制装置等回到电源正极。
    思路三:从用电设备开始,依次查找其控制开关、连线、控制单元,到达电源正极和搭铁(或电源负极)。
实际应用时,可视具体电路选择不同思路,但有一点值得注意:随着电子控制技术在汽车上的广泛应用,大多数电气设备电路同时具有主回路和控制回路,读图时要兼顾两回路。
    6.浏览全图,分割各个单元系统
    要读懂汽车电路图,首先必须掌握组成电路的各个电器元件的基本功能和电器特性。在大概掌握全图的基本原理的基础上,再把一个个单元系统电路分割开来,这样就容易抓住每一部分的主要功能及特性。
    在框划各个系统时,一定要遵守回路原则,注意既不能漏掉各个系统中的组件,也不能多框划其他系统的组件,一般规律是:各电器系统只有电源和总开关是公共的,其他任何一个系统都应是一个完整的独立的电器回路,即包括电源、开关(保险)、电器(或电子线路)、导线等。从电源的正极经导线、开关、保险丝至电器后搭铁,最后回到电源负极。
    7.熟记各局部电路之间的内在联系和相互关系
    从整车电路来讲,各局部电路除电源电路公用外,其他单元电路都是相对独立的,但它们之间也存在着内在联系(如信号共享)。因此,识图时,不但要熟悉各局部电路的组成、特点、工作过程和电流流经的路径,还要了解各局部电路之间的联系和相互影响。这是迅速找出故障部位、排除故障的必要条件。
    8.掌握各种开关在电路中的作用
    对多层多挡接线柱的开关,要按层、按挡位、按接线柱逐级分析其各层各挡的功能。有的用电设备受两个以上单挡开关(或继电器)的控制,有的受两个以上多挡开关的控制,其工作状态比较复杂。当开关接线柱较多时,首先抓住从电源来的一两个接线柱,再逐个分析与其他各接线柱相连的用电设备处于何种挡位,从而找出控制关系。
    对于组合开关,实际线路是在一起的,而在电路图中又按其功能画在各自的局部电路中,遇到这种情况必须仔细研究识读。
    9.全面分析开关、继电器的初始状态和工作状态
    在电路图中,各种开关、继电器都是按初始状态画出的。即按钮未按下、开关未接通,继电器线圈未通电,其触点未闭合(指常开触点),这种状态称为原始状态。在识图时,不能完全按原始状态分析,否则很难理解电路的工作原理,因为大多数用电设备都是通过开关、按钮、继电器触点的变化而改变回路的,进而实现不同的电路功能。所以,必须进行工作状态的分析。
    10.掌握电器装置在电路图中的位置
    大量电器装置是机电合一的,在电路图上表示时,厂家为了使画法既简单(便于画图)又便于识图,多根据实际情况采用集中或分开表示法。
    集中表示法是把一个
    电器装置的各组成部分,在图上集中绘制的一种表示方法。此法仅适用于较简单的电路。
    分开表示法,如把继电器的线圈、触点分别画在不同的电路中,用同一文字符号或数字符号将分开部分联系起来。
    11.先易后难
    有些汽车电路图的某些局部电路可能比较复杂,一时难以看懂,可以暂时将其放一放,待其他局部电路都看懂 后,结合看懂图中与该电路有联系的有关信息,再来进一步识读这部分电路。
    12.注意搜集资料和经验积累
    对于看不懂的电路要善于请教有关人员,同时还要善于查找收集相关资料;注意深入研究典型汽车电路,做到 触类旁通;特别注意实际工作经验的积累,新技术、新工艺的应用和创新。

    此外,汽车电子控制系统越来越多,其读图方法除以上所述要领适用外,以下方法与步骤对汽车电子控制系统的读图很有帮助。
    要以电控系统的ECU为中心,因为这是整个系统的控制中心,所有电器部件都必然与这里发生关系。
    对ECU的各个接脚有大致印象,弄清楚分为几个区域,各区接脚排列的规律。
    找出该系统给ECU供电的电源线有哪些,注意一般ECU都不止一根电源线,弄清楚各电源线的供电状态(如常火线或开关控制)。
    找出该系统的搭铁线有哪些,注意分清哪些是在ECU内部搭铁,哪些是在车架上搭铁,哪些是在各总成机体上搭铁。
    找出那些是系统的信号输入传感器,各传感器是否需要电源,并找出相应的电源线,该传感器那里搭铁。
    找出系统的执行器有哪些,弄清电源供给和搭铁情况,电脑控制执行器的方式(控制搭铁端或电源端。

    世界汽车分三大模块:欧洲、美国、亚洲。各模块电路图表示方法相近
    其中欧洲最为典型。其它电路可以举一反三

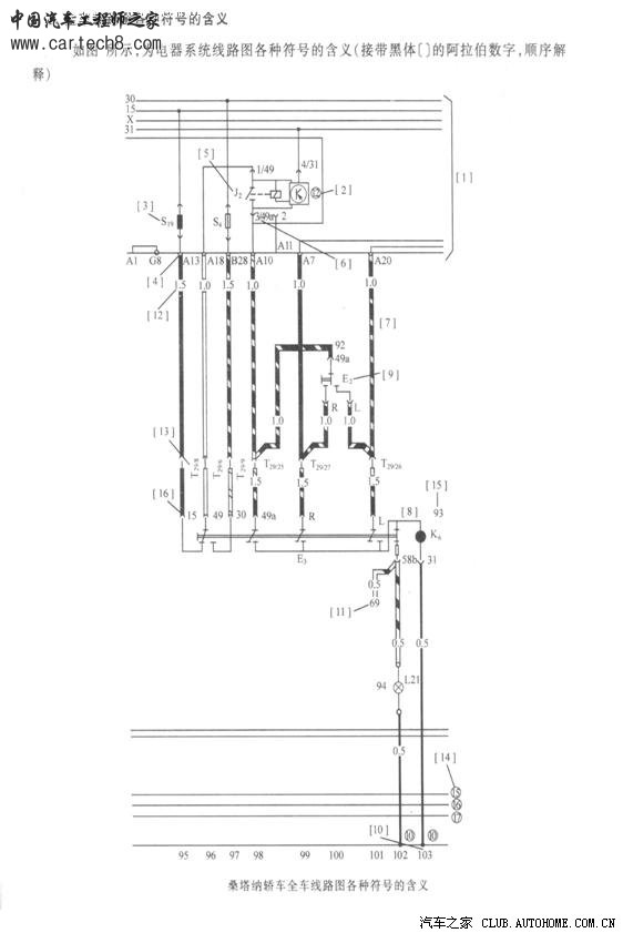
    桑塔纳电路原理图读法










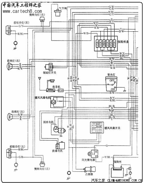
    富康车系电路图比较特别:下列富康车系电路图读法

[ 本帖最后由 dragonpeng 于 29-10-2008 20:12 编辑 ]
1fc85b64-06ec-4a72-96e7-8d2b4ab748e8.jpg
25a5ad7c-2943-4506-bd80-b231a8d4b47a.jpg
99763067-1816-4658-8c30-e1a34bd30e71.jpg
e410d061-3ea7-4064-9d6d-54159ac51629.jpg
f1a9218c-3bc2-4823-825b-5abcc0db8914.jpg
a.jpg
b.jpg
c.jpg
d.jpg
e.jpg
f.jpg
g.jpg
h.jpg


该用户从未签到

发表于 15-12-2008 08:58:26 | 显示全部楼层
相当具体啊,还图文并茂,顶
回复 支持 反对

使用道具 举报



该用户从未签到

发表于 6-3-2011 22:12:22 | 显示全部楼层
回复 1# dragonpeng


           很好  ,喜欢!!!
回复 支持 反对

使用道具 举报



该用户从未签到

发表于 12-5-2014 21:40:10 | 显示全部楼层
学习了,谢谢
回复 支持 反对

使用道具 举报


  • TA的每日心情
    开心
    22-9-2015 21:24
  • 签到天数: 2 天

    [LV.1]初来乍到

    发表于 20-3-2015 11:34:46 | 显示全部楼层
    这篇帖子真的好啊
    回复 支持 反对

    使用道具 举报

    
  • TA的每日心情
    擦汗
    17-12-2015 14:51
  • 签到天数: 3 天

    [LV.2]偶尔看看I

    发表于 22-4-2015 16:44:50 | 显示全部楼层
    xc520hl 发表于 15-12-2008 08:58
    相当具体啊,还图文并茂,顶

    学习了,谢谢!!
    回复 支持 反对

    使用道具 举报

    

    该用户从未签到

    发表于 2-5-2015 18:28:16 | 显示全部楼层
    chengtongli 发表于 6-3-2011 22:12
    回复 1# dragonpeng

    很好,这样的资料希望楼主多发点
    回复 支持 反对

    使用道具 举报

    

    该用户从未签到

    发表于 2-5-2015 20:28:53 | 显示全部楼层
    一直想学关于汽车电路的知识,版主谢谢了
    回复 支持 反对

    使用道具 举报

    
  • TA的每日心情
    开心
    7-5-2020 20:58
  • 签到天数: 6 天

    [LV.2]偶尔看看I

    发表于 22-5-2015 08:42:05 | 显示全部楼层
    学习了。很实用的
    回复 支持 反对

    使用道具 举报

    
  • TA的每日心情
    开心
    27-10-2015 17:56
  • 签到天数: 83 天

    [LV.6]常住居民II

    发表于 5-7-2015 08:26:53 | 显示全部楼层
    这不是从书上截取的吗
    回复 支持 反对

    使用道具 举报

    
  • TA的每日心情
    开心
    9-9-2015 13:02
  • 签到天数: 6 天

    [LV.2]偶尔看看I

    发表于 26-7-2015 21:56:00 | 显示全部楼层
    讲多少掌握多少方法用处都不打,多看才是硬道理,针对原理图 隔几天就从头到尾看一遍,看个10来遍你啥都明白了
    回复 支持 反对

    使用道具 举报

    
  • TA的每日心情

    16-1-2016 10:44
  • 签到天数: 7 天

    [LV.3]偶尔看看II

    发表于 16-1-2016 11:22:55 | 显示全部楼层
    我想说,这个资料能不能上传让我下载啊
    回复 支持 反对

    使用道具 举报

    快速发帖

    您需要登录后才可以回帖 登录 | 注册

    本版积分规则

    QQ|手机版|小黑屋|Archiver|汽车工程师之家 ( 渝ICP备18012993号-1 )

    GMT+8, 22-4-2026 04:39 , Processed in 0.404476 second(s), 47 queries .

    Powered by Discuz! X3.5

    © 2001-2013 Comsenz Inc.