中国汽车工程师之家--聚集了汽车行业80%专业人士 

论坛口号:知无不言,言无不尽!QQ:542334618 

本站手机访问:直接在浏览器中输入本站域名即可 

  • 602查看
  • 0回复

新人送给CATIA学习者几张练习图纸

[复制链接]

  • TA的每日心情
    开心
    1-10-2016 21:52
  • 签到天数: 7 天

    [LV.3]偶尔看看II

    发表于 3-1-2015 17:11:08 | 显示全部楼层 |阅读模式

    汽车零部件采购、销售通信录       填写你的培训需求,我们帮你找      招募汽车专业培训老师


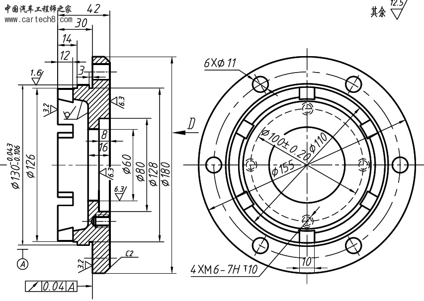
    很简单的图纸,对于刚刚接触到三维软件的新手用来练习感觉不错。
    6.jpg
    7.jpg
    14 (2).jpg
    16 (2).jpg
    16.jpg
    17 (2).jpg

    快速发帖

    您需要登录后才可以回帖 登录 | 注册

    本版积分规则

    QQ|手机版|小黑屋|Archiver|汽车工程师之家 ( 渝ICP备18012993号-1 )

    GMT+8, 10-4-2026 20:59 , Processed in 0.535817 second(s), 36 queries .

    Powered by Discuz! X3.5

    © 2001-2013 Comsenz Inc.