中国汽车工程师之家--聚集了汽车行业80%专业人士 

论坛口号:知无不言,言无不尽!QQ:542334618 

本站手机访问:直接在浏览器中输入本站域名即可 

  • 1457查看
  • 0回复

[充电系统] 深度学习之新能源汽车车载OBC

[复制链接]


该用户从未签到

发表于 18-5-2024 19:42:24 | 显示全部楼层 |阅读模式

汽车零部件采购、销售通信录       填写你的培训需求,我们帮你找      招募汽车专业培训老师


新能源汽车车载充电机(OBC)将交流充电桩的交流电转换为动力电池所需的直流电,实现对动力电池的充电,使用交流充桩充电的新能源汽车需要搭载车载充电机。

深度学习之新能源汽车车载OBCw1.jpg

深度学习之新能源汽车车载OBCw2.jpg

认识车载OBC

说人话就是:车载OBC(On-Board Charger)是安装在新能源电动车内的零部件,它将交流充电桩输出的交流电转化为高压直流电,给整车高压动力电池充电。

深度学习之新能源汽车车载OBCw3.jpg

根据结构分类,车载OBC可分为单向、双向和集成式车载OBC。

单向车载OBC只能给动力电池充电,双向车载OBC可以把动力电池的直流电逆变成为家用220V交流电,遇上停电期车可作为家庭应急电源使用。

车载充电机在电动汽车中扮演着重要的角色,具备多种功能,其中最重要的是与BMS(电池管理系统)和车辆监控系统进行通信。

通过高速网络CAN与BMS进行交互,能够根据BMS的指令动态输出最适合动力电池状态的电流和电压参数,为电池组选择最优的充电模式。在充电过程,BMS主要监测动力电池组电压、电流、温度和连接状态等信息,以控制和保护电池。

通过高速CAN网络与车辆监控系统通信,上传自己的工作状态、工作参数和故障告警信息,并接受启动充电或停止充电的控制命令。

此外,还具有完备的安全防护功能。例如交流输入过压保护、交流输入欠压告警、交流输入过流保护、直流输出过流保护、直流输出短路保护、输出软启动、防止电流冲击、阻燃等。这些功能在充电过程中保护电池,防止过热、过充和短路等危险情况的发生,确保电池的安全和稳定运行。

车载OBC由多个部分组成,其中包括交流输入端口、功率单元、控制单元、低压辅助单元和直流输出端口。

深度学习之新能源汽车车载OBCw4.jpg

交流输入端口是负责接收来自电网的交流电,一般有7个pin口、三类连接。标准的输入接口采用工频单相输入220V电压,如果功率需要,也可以启用两个备用pin口,实现380V输入。

功率单元作为充电能量的传递通道,主要包括电磁干扰抑制模块、整流模块、功率因数校正模块、滤波模块、全桥变换模块和直流输出模块。在控制单元的配合下,将输入工频交流电转化成适合动力电池系统能够接受的适当电压的直流电。

控制单元是车载充电机的核心部分,通过开关器件控制功率单元的转换过程,经闭环控制方式精确完成转换功能,并提供保护功能。主要包括原边检测及保护模块、过流检测及保护模块、过压/欠压监测及保护模块和DSP主控模块。

低压辅助单元为控制单元的电子器件提供低压供电,并实现系统与外界的联系。主要包括CAN通信模块、辅助电源模块和人机交互模块。

直流输出端口负责向蓄电池提供直流电,包括低压辅助电源正负极两个pin口、高压充电回路正负极两个pin口、地盘地、通讯线CANH和CANL(还可以有CAN屏蔽)、充电请求信号线。

深度学习之新能源汽车车载OBCw5.jpg

车载OBC指标

车载OBC的技术指标主要包括输入电压、工作效率、功率因素、谐波、输出纹波、输出电压和输出电流等。

QC/T 895-2011标准中对输入电压、电流及输出电压推荐值等有提出明确的要求。

深度学习之新能源汽车车载OBCw6.jpg

功率等级:国内和海外的新能源汽车充电功率不同、常见的OBC充电功率为3.3 kW、6.6 kW、11 kW和22kW。11kW的OBC,意味着充满66kWh的动力电池需要6h。

转换效率:效率是很重要的目标,与整个单元的散热方式息息相关。

容积&重量&功率密度:汽车对于部件的体积和重量都有着严格的要求,设计要求比较高。目前趋势是OBC+DC/DC二合一集成,或者OBC+DC/DC+PDU做三合一集成,功率密度大幅提升,体积变小。

散热方式:有主动风冷和液冷两种方式。功率升高到11KW之后,液冷成主流。

成本:部件的成本要求比较高,目前小三电比较卷,小三电供应商普遍毛利率在15%~20%。

深度学习之新能源汽车车载OBCw7.jpg

车载OBC拓扑结构

车载OBC一般采用两级架构,前级PFC主要负责功率因数校正,一般输出400V直流电。后级DC/DC电路从PFC母线取电,实现隔离和调压功能。由于DC/DC所接负载为电池,一般输出200-500V的高压直流电,故后级必须采用高效率宽范围的隔离DC/DC拓扑结构。

深度学习之新能源汽车车载OBCw8.jpg

OBC硬件部分由功率部分和控制部分组成。功率部分主要是前级AC-DC电路、后级DC-DC电路。控制部分由控制器检测电路与参数反馈电路构成,将期望值通过PWM进行调节,从而控制高压回路中开关管的开关时间,实现目标输出电流和电压,以及故障监测等功能。

每级电路不管如何设计,最终都以追求高频化、高功率因数与高效化为设计目标。

前级AC-DC电路多数采用基本型Boost APFC变换器或改进型Boost APFC变换器,包括基本型Boost APFC变换器、无桥Boost APFC变换器、交错并联Boost APFC变换器、无桥交错Boost APFC变换器。

深度学习之新能源汽车车载OBCw9.jpg

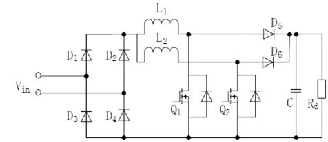
传统有桥Boost PFC:当Q1导通时,正半周期导通路径为D1、L1、Q1、D4,负半周期导通路径为D2、L1、Q1、D3;当Q1关断时,正半周期导通路径为D1、L1、D5、Rd、D4,负半周期导通路径为D2、L1、D5、Rd、D3。

深度学习之新能源汽车车载OBCw10.jpg

在每个状态下,导通开关器件的数量均为3个,其优势在于电路拓扑好控制都很简单,但是仅存在一个Q1开关器件,其电压、电流应力非常大,很难用于大功率场合。

交错并联Boost PFC:由两个相同的Boost PFC变换器并联而成,该拓扑电路可以使得PFC的电感减少。通过控制两个功率电感电流交错180°反相,可降低输入输出的电流纹波,减少EMI滤波器的体积。

深度学习之新能源汽车车载OBCw11.jpg

该拓扑在其他控制和功率走路方向和传统的有桥一样,只是增加了开关器件数量。

无桥Boost PFC:将有桥PFC的整流桥移除,减少了开关器件的数量。正半周工作,当Q1关断时,功率链路为L1、D1、Rd、Q2、L2;当Q1开通时,功率链路为L1、Q1、Q2、L2。负半周工作,当Q2关断时,功率链路为L2、D2、Rd、Q1、L1;Q2开通时,功率链路为L2、Q2、Q1、L1。与传统的有桥PFC相比,导通路径上的开关器件减少了,这有利于提升系统的效率。对自带反并联二极管的开关器件来说,Q1Q2可以共用一个驱动信号。

深度学习之新能源汽车车载OBCw12.jpg

该拓扑结构控制简单,但是电流采样困难。且输出的直流电压的端点是浮地的,产生的共模干扰会被隔离,所以电路中会有很严重的EMI问题。

双无桥Boost PFC:相较无桥PFC电路,双无桥PFC在EMI方面进行了改善。正半周工作,当Q1关断时,功率链路为L1、D1、Rd、D4;Q1开通时,功率链路为L1、Q1、D4。负半周工作,当Q2关断时,功率链路为L2、D2、Rd、D3;Q2开通时,功率链路为L2、Q2、D3。

深度学习之新能源汽车车载OBCw13.jpg

其控制方式和基本的无桥PFC类似,增加的二极管大大降低了电路的干扰,但是系统成本增加了。

图腾柱Boost PFC:可以解决无桥PFC的EMI问题。正半周工作,当Q1关断,Q2导通时,功率链路为L、Q2、D2;Q2关断,Q1导通时,功率链路为L、Q1、Rd、D2。负半周工作,当Q1关断,Q2导通时,功率链路为D1、Rd、Q2、L;当Q1导通,Q2关断时,功率链路为D1、Q1、L。

深度学习之新能源汽车车载OBCw14.jpg

该拓朴控制复杂,上管的驱动需要浮地,设计难度大,成本增加,而且Q1Q2存在反向恢复问题,容易增加电路损耗。

DC/DC变换器的电路拓扑类型主要有Buck、Boost、Buck-Boost、移相全桥、谐振变换器等电路拓扑,而隔离型DC/DC变换器在功率等级、电气安全等方面更适合OBC的应用需求。常见的隔离性DC/DC变换器拓扑结构主要有移相全桥、双有源桥电路、LLC谐振电路等。

深度学习之新能源汽车车载OBCw15.jpg

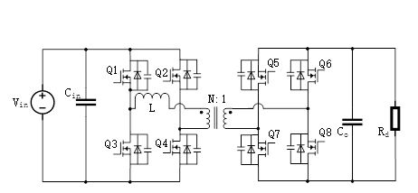
移相全桥电路:可以实现最低零电压的宽范围电压输出,其超前臂Q1Q3的驱动信号有着180°的相位差,滞后臂Q2Q4的驱动信号分别与Q1Q3滞后一定相位,控制驱动信号之间的相位角不同,可以使得变压器漏感和开关管结电容进行谐振,开关管的软开关得以实现。

深度学习之新能源汽车车载OBCw16.jpg

缺点是由于变压器漏感的存在,副边会出现占空比丢失现象,副边二极管容易出现电压尖峰;另外该拓扑的输出需要的LC滤波器会造成电路体积增大,同时会导致损耗增加。

双有源桥电路:通过原副边移相来控制能量的流动方向和大小,可以实现零电压开通,经常应用于大功率场合的双向DC/DC变换器,该拓扑电路功率密度高、效率高、能双向传输功率,被广泛应用于电动汽车、航天航空等领域。

深度学习之新能源汽车车载OBCw17.jpg

LLC谐振电路:可以实现软开关,且可以在较窄的频率范围内实现较大的调压范围。具有良好的切载特性,加上变压器的漏感可以复用为励磁电感,所以磁元件的空间小,可以提高变换器的功率密度,效率高及EMI小。

深度学习之新能源汽车车载OBCw18.jpg

深度学习之新能源汽车车载OBCw19.jpg

车载OBC发展趋势

目前市场主流车型搭载的车载OBC输出功率由3.3kW向6.6kW升级,车载OBC未来向着功率等级提升尺寸小型化、双向转换和集成化的方向发展

深度学习之新能源汽车车载OBCw20.jpg

输出功率6.6kW的车载充电机已成国内主流趋势,正琢步升至11kW、甚至22kW。同时各企业研发出二合一、三合一甚至八合一集成方案,目前较优的二合一方案为6.6kW OBC +1.5kW DC/DC,三合一为6.6kW OBC+2kW DC/DC+PDU。

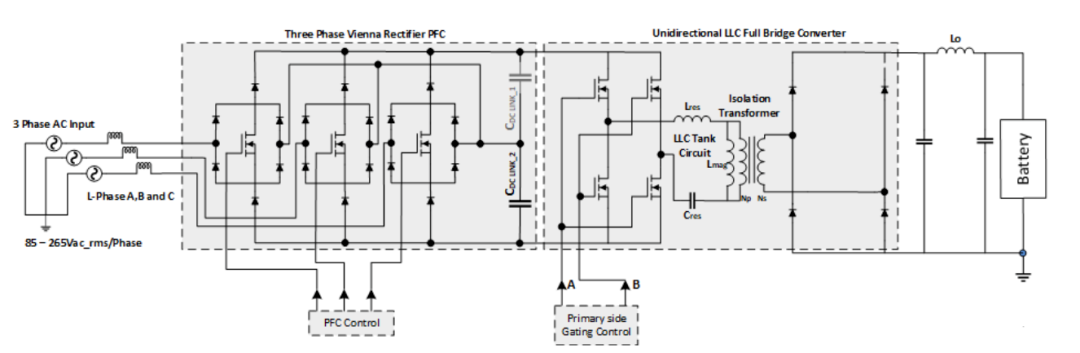
部分采用SiC MOS器件的车载OBC部件系统框图如下:

深度学习之新能源汽车车载OBCw21.jpg

图:wolfspeed某6.6KW 双向OBC的系统框图。

深度学习之新能源汽车车载OBCw22.jpg

图:安森美基于1200V碳化硅的单向OBC的系统框图

深度学习之新能源汽车车载OBCw23.jpg

图:ST的OBC的系统框图

深度学习之新能源汽车车载OBCw24.jpg

图:英飞凌的OBC的系统框图

END

该用户已被删除
发表于 11-3-2025 08:38:00 | 显示全部楼层
对于新能源汽车的车载OBC(车载充电机),其作为核心部件之一,负责将交流充电桩的交流电转换为动力电池所需的直流电。根据结构分类,车载OBC可分为单向、双向和集成式。单向车载OBC主要用于充电,而双向车载OBC则具备逆变功能,能将动力电池的直流电转换为家用220V交流电,为家庭提供应急电力支持。这一技术的应用,显著提升了新能源汽车的实用性和便捷性。

[内容由汽车工程师之家人工智能总结,欢迎免费使用,见贴尾]
回复 支持 反对

使用道具 举报



该用户从未签到

发表于 11-3-2025 08:38:00 | 显示全部楼层
关于新能源汽车车载OBC(车载充电机)的解析如下:

车载OBC是新能源汽车的核心部件之一,负责将交流充电桩的交流电转换为动力电池所需的直流电。随着技术的不断进步,OBC的效率和可靠性也在不断提高。根据结构分类,车载OBC可分为单向、双向和集成式车载OBC。其中,双向车载OBC除了能为动力电池充电外,还能将动力电池的直流电逆变成为家用交流电,为家庭提供应急电力支持。因此,车载OBC对于新能源汽车的充电效率和功能拓展都具有重要意义。

[内容由汽车工程师之家人工智能总结,欢迎免费使用,见贴尾]
回复 支持 反对

使用道具 举报



该用户从未签到

 楼主| 发表于 11-3-2025 08:38:00 | 显示全部楼层
是的,车载充电机(OBC)在新能源汽车的充电过程中起到了核心作用。它不仅可将外部交流充电桩的交流电转换为动力电池所需的直流电,还具备智能化管理和保护电池的功能。根据结构分类,车载OBC可分为单向、双向和集成式车载OBC。其中,双向车载OBC具备能量双向转换的能力,可将动力电池的直流电转换为家用交流电,实现能源再利用,这对于应急情况下的家庭用电需求尤为重要。总之,随着新能源汽车技术的不断进步,车载充电机将朝着更高效、智能的方向发展。

[内容由汽车工程师之家人工智能总结,欢迎免费使用,见贴尾]
回复 支持 反对

使用道具 举报

快速发帖

您需要登录后才可以回帖 登录 | 注册

本版积分规则

QQ|手机版|小黑屋|Archiver|汽车工程师之家 ( 渝ICP备18012993号-1 )

GMT+8, 23-4-2026 06:08 , Processed in 0.403890 second(s), 40 queries .

Powered by Discuz! X3.5

© 2001-2013 Comsenz Inc.