中国汽车工程师之家--聚集了汽车行业80%专业人士 

论坛口号:知无不言,言无不尽!QQ:542334618 

本站手机访问:直接在浏览器中输入本站域名即可 

  • 3235查看
  • 0回复

[充电系统] 一文了解车载充电机OBC

[复制链接]


该用户从未签到

发表于 10-2-2025 19:39:34 | 显示全部楼层 |阅读模式

汽车零部件采购、销售通信录       填写你的培训需求,我们帮你找      招募汽车专业培训老师


电动汽车没电时需要充电,但是车辆动力电池中的高压电是直流电,而我们的生活和商业用电是交流电,交流电是不能给汽车直接充电的,那么汽车是如何将交流电转换为直流电的呢?这时就需要用到OBC控制器。
1.OBC的基本概念

OBC是On-Board Charger的缩写,表示车载充电机,是一种为纯电动汽车 (BEV) 或插电式混合动力汽车 (PHEV) 的高压电池组充电的电子设备。可将电网中的交流电转换为适合车辆电池组的直流电。
车内集成了OBC模块的车辆可以在家中或公共的交流充电站上充电。
一文了解车载充电机OBCw1.jpg
车辆通过AC交流电充电车载充电机OBC同时还会提供相应的保护功能,包括过压、欠压、过流、欠流等措施,发现系统出现异常会及时切断供电。这里要注意的是,OBC只是用于交流充电桩,直流充电桩是不使用OBC的。它们的应用场景不同‌,直流充电桩适用于需要快速充电的场景,如高速公路服务区等,而OBC适用于家庭或工作场所等需要慢充的场景‌。
2.OBC的分类
车载充电机OBC按功能和开发方案可分为单向OBC、双向OBC和集成式OBC。2.1单向OBC单向OBC的意思是电能按1个方向流动,只能从电网流向电池,也就是说只能利用电网给车辆充电。
一文了解车载充电机OBCw2.jpg
单向OBC的应用-交流充电单向OBC将外部电源的交流电转换为直流电为电池充电,不具备电能逆变功能。这类OBC结构较为简单,成本低,适用于不需要反向供电功能的经济型电动车‌。2.2 双向OBC双向OBC的意思是电能可以按两个方向流动,不仅能从电网流向电池,还能反过来从电池流向电网。也就是说不仅能对车辆充电还能让车辆对外供电。双向OBC可以将直流电变为交流电的逆向转变功能叫做逆变功能,有了逆变功能,人们可以在车内使用各种家用电器,比如车载电热杯、车载冰箱、车载吸尘器等。
一文了解车载充电机OBCw3.jpg
双向OBC的应用-车载冰箱2.3集成式OBC集成式OBC是指OBC模块采用与其它高电压、大功率模块集成的方式开发,比如OBC与DCDC的二合一集成、OBC与DCDC、PDU的三合一集成。OBC与电机、电控、减速器、DCDC、BMS等多合一的集成。集成式OBC不仅仅是硬件结构上的简单集合,在电路和控制原理等方案上也有所不同。
一文了解车载充电机OBCw4.jpg

多合一产品通常体积比较大
3.OBC的基本原理
3.1 OBC的拓扑结构车载OBC拓扑结构一般采用两级架构,前级PFC会把交流电转变为恒定的直流电,同时负责功率因数的校正;后级DC/DC电路从PFC母线取电,主要实现电压调节功能,同时实现隔离功能。
为什么要采用两级架构?为什么前级已经做了交直流转换,还需要后级呢?首先前后两级的服务方向不同,前级是为了服务外部电网,处理外部电网的转换;后级是为了车辆的动力电池服务,最终要转换成适合动力电池的功率。前级虽然可以进行交流直流转换,但是它输出的是恒定不变的电压值,比如输出恒定的400V或700V的直流电。而动力电池是分不同等级和大小的,通过调节输出电压,确保电池能够以最优的电压进行充电,从而减少能源浪费,提高充电效率‌。更宽的电压输出范围也可以适应不同的充电场景‌,能在不同的充电环境下,确保输出电压的稳定性,保证充电安全。所以DC/DC的输出电压范围要比较宽,比如输出200-500V的高压直流电。目前纯电动汽车动力电池的高压电普遍在400V左右。此外,动力电池与外部电网间还需要做电气上的隔离,防止电池异常时会对电网造成干扰和损坏,这些都需要后级的DCDC来处理。
一文了解车载充电机OBCw5.jpg
OBC的两级架构前级和后级电路中主要是用于电能转换的大功率器件,这两部分都需要MCU相关的弱电电路进行控制,因此OBC的硬件电路主要由功率部分和控制部分组成。功率部分就是指前级的AC-DC电路、后级的DC-DC电路。控制部分由检测电路与参数反馈电路构成,通过PWM信号控制调节高压回路中开关管的开关时间,实现目标输出电流和电压以及故障监测等功能。3.2 PFC功率因数校正

‌‌功率因数PF(Power Factor)是指‌交流电路中有功功率对视在功率的比值。
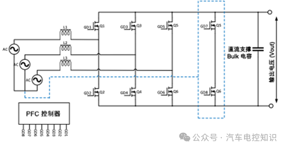
交流电在纯电阻负载上电流和电压是同相位的,即纯电阻是消耗功率器件,其功率因数是1;但是交流电在纯电容和纯电感负载上就不一样了,通常需要一定的无功功率来建立磁场或电容场,从而影响功率因数。‌电容上的电流相位会超前电压,而电感上的电压相位会超前电流。电流和电压之间的相位差会造成交换功率的损失,而PFC功率因数校正的目的就是使负载更接近一个纯电阻的负载,提升电网质量。所以功率因数小说明电路用于交变磁场转换的无功功率大,电力的利用率低,而功率因数大说明电力的利用率高。既然电流和电压间的相位差会造成功率损失,那么功率因数校正PFC(Power Factor Correction)的基本原理就是对输入电流的波形进行控制,使其与输入电压波形同步,这样就可以提高功率因数。典型的PFC解决方案因电网输入交流相数和OBC设备的输出功率等级不同而有所不同。对于单相交流输入OBC模块,可采用传统有桥升压、无桥升压或图腾柱方案,这几个方案都可选配多通道交错式方式,最可行的交错式解决方案是双通道。如果设计是双向的,则 PFC 级将采用图腾柱拓扑结构。
一文了解车载充电机OBCw6.jpg
传统有桥升压PFC传统有桥升压PFC电路中的桥是指由4个二极管组成的整流桥,由于二极管的单向导电性,会把输入的交流电转变成直流电到C1,这个直流电压变化缓慢,相对稳定;但是其中的电流却是脉冲变化,两者的相位差很大,所以功率因数低。
一文了解车载充电机OBCw7.jpg
PFC处理前电流电压不同步通过增加电感L1和相关控制电路,就可以把电流从脉冲的变化转变为与电压同频同相的变化,这样就可以提高功率因数。
一文了解车载充电机OBCw8.jpg
PFC处理后电流电压基本同步传统的PFC电路控制和驱动简单,对外干扰小,应用成熟,但是由于整流桥上的二极管会固定的存在损耗,再加上电感、开关管和续流二极管的损耗,PFC的效率很难提高,一般最高不会超过97%。
一文了解车载充电机OBCw9.jpg
无桥单相升压PFC无桥单相升压PFC中将部分二极管改为可控开关,由于少了整流桥,可以提高效率。但是在输入电压的负半周内,存在高频跳动,会产生EMC的问题。
一文了解车载充电机OBCw10.jpg
图腾柱PFC图腾柱的拓扑电路器件少,适合高效率的设计,但是如果需要大功率设计,需要反向恢复特性好的MOSFET。
一文了解车载充电机OBCw11.jpg
图腾柱通道交错式PFC图腾柱通道交错式PFC中有两个电感,产生通道交错,通过MOSFET软开关的三角波的控制方式,可以降低损耗,提升效率。多相并联又利于减少电感纹波电流。缺点是控制采样比较复杂。对于 3 相 OBC 模块,可采用3或4桥臂桥式图腾柱PFC或Vienna整流器拓扑结构。
一文了解车载充电机OBCw12.jpg
3 或 4 桥臂/图腾柱 PFC上图中3相全桥PFC适用于有3相输入但无中性点的模块;4 桥臂PFC则有3相输入(3 组快管)和一个中性点(第4组“慢”管)。快管和慢管可在不同的频率下相互切换。
一文了解车载充电机OBCw13.jpg
Vienna整流器 PFC三相Vienna PFC的输出电压受控,控制驱动简单,使用较小的电感,有利于提升功率密度,低频电压纹波少,可靠性高。缺点是工作状态多,控制复杂,输出电压也比较高。每级电路不管采用哪种方案,最终目标都是希望具有高频率、高功率因数与高效率的参数特性。3.3 DC/DC
前面提到过DC/DC电路的目的1个是实现电压调节,另外1个是实现电气隔离。电气隔离的功能是通过变压器实现的。变压器分为原边和副边,所以DCDC部分也可细为原边部分和副边部分。
原边DCDC转换通常采用LLC、CLLC或移相全桥 (PSFB) 拓扑实现。 还有一种拓扑是双有源电桥 (DAB),但它实际上包括原边和副边整流,用于双向设计。 对单向系统来说最常见的解决方案是LLC,LLC是由传统的LC谐振电路演变而来,将LC谐振电路中原边的磁化电感减小,等效成并联一个Lm,就成为LLC谐振电路。
一文了解车载充电机OBCw14.jpg
LC谐振转变为LLC谐振LC谐振电路的输入调节频率比较宽,所以对控制端要求比较高,而LLC谐振电路的输入调节频率范围比较窄,不需要很大的范围就可以达到输出调节的目标,所以调节方便。另外,LC谐振电路的输出输入电压增益是小于1的,也就是只能降压。而LLC在大于谐振频率点后是降压,在小于谐振频率点时可以升压,也就是说它的输出输入电压增益是可以大于1的,电压输出可升可降,更加方便。双向系统会使用CLLC,某些双向设计可能使用PSFB或其他拓扑。无论采用哪种方法(LLC、CLLC、PSFB、DAB),原边整流几乎都采用全桥开关,4开关是原边DCDC转换中最常见的方法。
一文了解车载充电机OBCw15.jpg
原边整流-全桥LLC全桥LLC由一个全桥逆变电路和谐振电路组成,其中的谐振电路中包括谐振电感Lr、励磁电感Lm和谐振电容Cr组成,这个三个器件也是LLC名称的由来。谐振电路后面与变压器的原边相连。
一文了解车载充电机OBCw16.jpg
副边整流二极管桥 -单向在变压器的副边,最简单的解决方案是使用二极管桥进行整流。 如上图中是由4个二极管构成的全波不控整流电路,与输出电容C连接后接入负载,上图中由于二极管的单向导通性,所以电流方向是单向的,仅从电网流向到车辆电池。根据所需的系统效率、输出电压和系统成本,这些二极管可以是硅二极管或碳化硅二极管。 碳化硅二极管具有无反向恢复的特性,是800V电池或需要实现更高效率的系统的最佳选择。 在单向设计中,使用硅或碳化硅 MOSFET的全桥解决方案可提高系统效率,但运行成本较高。
一文了解车载充电机OBCw17.jpg
副边整流4开关全桥-双向双向OBC的副边整流就需要采用硅或碳化硅MOSFET全桥,因为MOSFET可以双向导通。硅MOSFET可用于400V电池系统,但在低负载时会出现效率下降的问题。 碳化硅 MOSFET在400VDC和800VDC电池系统中均能提供优越的效率。
4.小结

车载充电机OBC(On-BoardCharger)的主要功能是通过地面交流充电桩或家用交流电的接口给电动车的动力电池充电。

它的硬件部分主要由PFC电路和DC-DC电路组成,通过交直流转换,可以将家用的单相交流电(220V)或工业用的三相交流电(380V)转换为汽车动力电池可以使用的直流电。

双向OBC不仅可以实现电网对车辆充电,还可以实现车辆对车内的电器供电甚至对外部电网的反向充电。

随着电池能量密度的提升和充电技术的革新,需要提供输出功率更大的OBC。未来OBC除了要具备双向充电的能力,还要具备高电压、大电流、低损耗、高耐热性和高密度的特性。


该用户从未签到

发表于 11-3-2025 01:38:00 | 显示全部楼层
以下是针对车载充电机OBC的回复:

车载充电机OBC是电动汽车的重要组件之一,主要功能是将电网中的交流电转换为适合车辆电池组的直流电。它为纯电动汽车或插电式混合动力汽车的高压电池组充电。同时,OBC还具备保护功能,如过流保护、过压保护等,确保充电过程的安全性。集成了OBC模块的车辆可以在家中或公共交流充电站上进行充电,方便快捷。车载充电机不仅实现了电流的转换,还为电池提供全面的保护机制,确保电池的安全与寿命。

[内容由汽车工程师之家人工智能总结,欢迎免费使用,见贴尾]
回复 支持 反对

使用道具 举报



该用户从未签到

发表于 11-3-2025 01:38:00 | 显示全部楼层
了解您的疑惑后,为您简单阐述关于车载充电机OBC的相关内容。以下是回复的帖子内容:

关于车载充电机OBC的基本概念,它是一种将交流电转换为适合电动汽车电池组的直流电的电子设备。对于纯电动汽车或插电式混合动力汽车而言,OBC是其高压电池组充电的关键部件。集成此模块的车辆可在家中或公共交流充电站进行充电。在充电过程中,OBC不仅完成电流转换,还起到保护作用。这包括防止过充、过流等安全保障功能,确保电池的安全与寿命。同时,OBC还具备通讯功能,与车辆其他电控系统协同工作,为驾驶者提供更佳的驾驶体验。总体来说,车载充电机OBC是电动汽车安全、高效充电的核心部件之一。

如您还有其他疑问或想了解更多信息,请随时询问。

[内容由汽车工程师之家人工智能总结,欢迎免费使用,见贴尾]
回复 支持 反对

使用道具 举报

快速发帖

您需要登录后才可以回帖 登录 | 注册

本版积分规则

QQ|手机版|小黑屋|Archiver|汽车工程师之家 ( 渝ICP备18012993号-1 )

GMT+8, 11-4-2026 13:02 , Processed in 0.387376 second(s), 38 queries .

Powered by Discuz! X3.5

© 2001-2013 Comsenz Inc.